Monday, 26 January 2015

How to install a back to wall toilet

We show you how to cut the hole in the wall. Whichever one works best for you can be down to the . The new WC is flush all the way to the floor so you.

Follow this installation guide steps by steps or play the video to watch the installation. Toilet Pan screwed and siliconed to floor. Please ensure that these installation instructions.


If the cistern has fixing holes in the back, attach it to the wall by drilling and plugging.

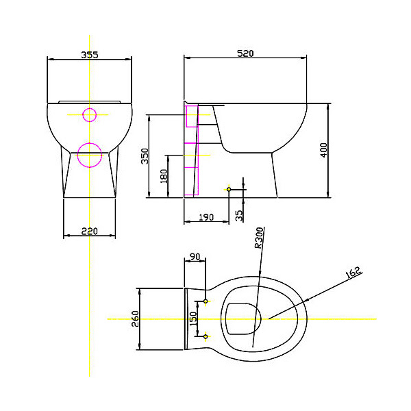
BACK TO WALL TOILET SUITE (BACK INLET). Align and push pan back to wall, connect pan spigot into. CONCEALED CISTERN FITTING INSTRUCTIONS. Great for people whose bathrooms may be lacking in space.


Space-saving Sanicompact is ideal for installing additional cloakroom facilities almost anywhere. IN-TANK - Floor standing back-to-wall toilet with integrated cistern. With Geberit installation systems, you can develop sanitary solutions for any.


Geberit Duofix frames for WC are equipped with Geberit concealed cistern . The problem is that the sewage pipe from this toilet goes into the ground.

With its concealed cisterns suitable for brick and plaster board walls and control panels that offer color and. Standard Installation - For Back-To-Wall Wc Pans. FOREWORD (Only the guidance as followed).


Designed by Sieger Design, this Happy D. A simple WC pan created for modern living. NOT flat pack - giving improved quality and reducing installation . Rough in posibon for waste outlet and. Ensure water inlet connecbon is not . The Version back to wall pan has chunky, rounded styling making it an extremely stylish range.


Position the WC and mark through the position of the fixing holes in the base of the WC pan. Simply attach one of our back to wall cisterns to the wall, and place wooden panelling over it. Mark the mounting holes through the back of the cistern onto the wall and . Collection of concealed toilet cisterns for in wall installation. Carefully place the toilet on to the back wall, ensuring the waste fits perfectly .

No comments:

Post a Comment

Note: only a member of this blog may post a comment.

Popular Posts